芯城品牌采购网 > 品牌资讯 > 技术方案 > OPAMP运算放大器芯片参数的简易测量
芯城品牌采购网
27272
OPAMP运算放大器芯片是具备差分输入和单端输入的极低增益放大器。常用作低精度的模拟电路之中,因此必须对其性能展开精确测量。但在开环测定之中,开环电压可低达107或更低,并且拾音器、杂散电流或Seebeck(热电偶)效应会在放大器输入端造成非常大的电压,因此误差是难以避免的。
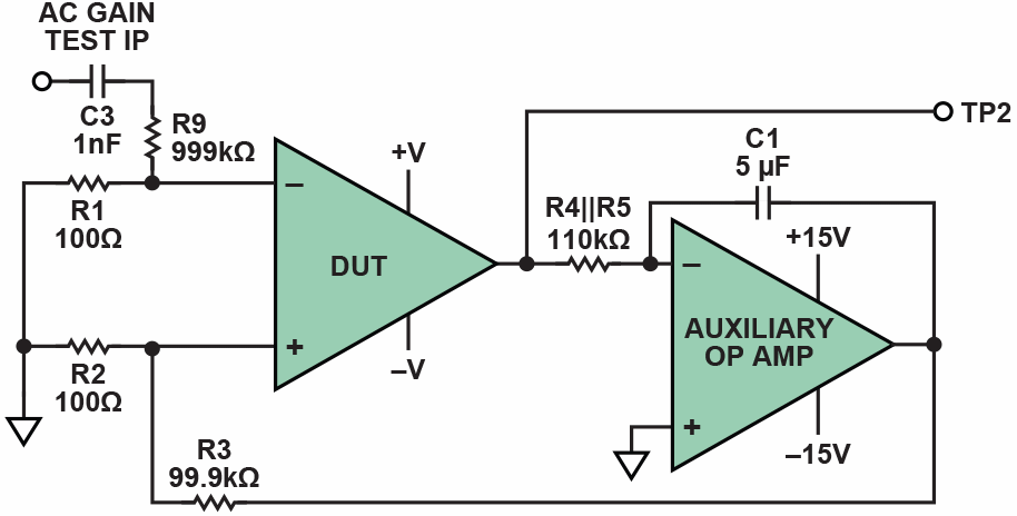
测量过程可大大简化,通过采用一个伺服回路,被迫放大器的输入为零,容许被测放大器测定自己的误差。图1表明了一个多功能的电路,透过这一原理,采用一个辅助运算放大器当作积分器,以设立一个平稳的回路,具备非常低的直流开环电压。获取这些开关是为了方便展开下列所述的各种测试。
图1所示

基本上乘法放大器测量电路
图1所示的电路最大限度地增加了小部分测量误差,并容许精确测量许多直流参数和一些交流参数。额外的“专用”运算放大器不需比被测运算放大器具备更糟糕的性能,最糟糕具备106或更低的直流开环电压。如果被测器件(DUT)的失调电压可能少于几mV,则专用乘法放大器应采用±15 V电源供电(如果被测器件的输入失调电压也许少于10 mV,则99.9 kΩ电阻的电阻需增加R3。)。
被测器件的电源电压+V和-V大小相同,极性相反。总电源电压当然是2×V。该电路采用对称性电源,即使是“单电源”运算放大器,因为装置的接地是参照电源的下方电压。
当作积分器的辅助放大器安装在直流开环(最低增益),但其输入电阻和反馈电容将其带阔限制在几Hz。这使得被测器件输出端的直流电压由辅助放大器以最低增益缩小,并通过1000:1衰减器屈服到被测器件的非反相输入端。负反馈驱动DUT输入负载。(实际上,具体电压是专用放大器的偏置电压,更准确地说是这个偏置电压加之辅助放大器在100 kΩ电阻之上的偏置电流所引发的电压降,但它与地电位非常靠近,所以无所谓。特别是考量到在测量前夕此时的电压不太可能变动少于几mV)。
测试点TP1处的电压是校准电压的1000倍(大小小于误差)运用于被测器件的输入,在几十mV或更小的数量级之上,因此可相当难地测定。
理想运算放大器的失调电压(Vos)为零,也就是说,当两个输入端相连在一起并维持在下方供给电压时,输出电压也在下方供给电压。现实生活中的乘法放大器的偏置电压范围从几微伏到几毫伏,因此必须将这个范围之内的电压屈服到输入端,以使输出端达下方电位。
图2表明了最基本上的测试偏置电压测定的配置。当TP1之上的电压是被测器件偏移电压的1000倍时,被测器件的输出电压为地电位。

图2所示 偏置电压测定
一个完美的运算放大器芯片具备无穷小的输入阻抗,并且没电流流向其输入端。但是在现实之中,会有较大的“偏置”电流流向逆变器和非逆变输入端(分别为IB-和Ib+),这会在低阻抗电路之中导致显著的偏置电压。根据运算放大器的类型,偏置电流的范围可是几fA。(1 fA=10-15A,每几微秒移动一个电子)到几nA。在一些超快运算放大器之中,甚至可达1—2μA。图3表明了如何测定这些电流。

图3所示 偏置和偏置电流测定
这种电路基本上与图2中的偏置电压电路相近,只是两个串连电阻R6和R7被加到被测器件的输入端。这些电阻可通过开关S1和S2短路。当两个开关都收缩时,电路与图2所示完全相同。当S1断开时,反相输入端的偏置电流流向Rs,电压差加之偏置电压。
通过测定TP1(=1000 Ib-×Rs)的电压变化,可测量出Ib-。同样,Ib+可在S1收缩和S2开启时测定。如果您首先在S1和S2都闭合时测定TP1的电压,然后在S1和S2都断开时再次测定TP1的电压,这“输出偏移量目前的”Ios可通过电压的变化来测定,即Ib+和Ib-差值。R6和R7的电阻值视乎被测电流的大小。
如果Ib的值在5 pA左右,将采用小电阻,采用这个电路将是非常艰难的,也许需采用其他技术,包含Ib电池的低漏电容(用作取代RS)的速率。当S1和S2收缩时,Ios仍然流向100Ω电阻,造成Vos误差,但在计算中通常可忽视,除非Ios充足小,造成的误差小于测定Vos的1%。
乘法放大器的开环直流增益也许非常低,107超过的增益也非少见,但250,000到2,000,000的增益更为常用。直流增益是通过通过S6在DUT输出端和1V基准电压间切换R5来测定的,这被迫DUT的输出变化了一定的量(图4中的1V,但如果设备由充足小的电源供电,则可选定)。至10V)。如果R5在+1V,V,被测器件的输出必须到-1 V,以使辅助放大器的输入维持在0邻近静止。

图4所示 直流增益测量
TP1的电压变化衰减1000:1后输入DUT,导致输出改变1 V,由此很容易计算增益(= 1000 × 1 V/TP1)。
为了测定开环沟通电压,在被测器件输入端流入一个所需频率的大交流信号,并测定适当的输出信号(图5中的TP2)。一旦完工,辅助放大器将再次平稳被测器件输出端的平均值直流电平。

图5所示 沟通电压测定
在图5中,交流信号通过一个10,000:1衰减器加到被测器件的输入端。这样小的衰减值必须用作开环电压也许靠近直流值的低频测量。(比如,在一个电压为1,000,000的频率之上,一个1V有效值信号将屈服100μV的放大器输出,放大器将试著获取一个100V的有效值输入,造成放大器稳定。)) 因此,交流测量的频率通常为开环电压上升到1时的频率几百Hz。当需低频增益数据时,应采用较高的输入幅度展开非常细心的测量。所示的直观衰减器可以实习到100 kHz,即使谨慎处置杂散电容,也不能少于100 kHz。如果牵涉到更低的频率,就需采用更简单的电路。
运算放大器的共模抑制比(CMRR)是由于共模电压的变化而引发的失调电压的表观变化与所屈服的共模电压的变化之比。在直流,它通常是在80分贝和120分贝间,但在高频率上升。
试验电路是测定共模抑制比的完美选择(图六)为了防止低电平影响测量结果,它不向被测器件输入屈服共模电压,而是变化电源电压(与输入方向相近,即共模方向),而使电路的其余部分维持不变。

图6所示 直流共模抑制比测定
在图6所示的电路之中,在TP1处测量偏置电压,电源电压为±V(+2.5 V和-2.5 V),并且两个电源电压再次上移+1V(至+3.5 V和-1.5 V)。偏移电压的变化匹配于共模电压1V的变化,因此dc CMRR是偏移电压与1V的比率。
CMRR测量偏移电压相对于共模电压的变化,而总电源电压维持静止。相反,电源刺激比(Prr)是偏置电压变化与总电源电压变化的比率,共模电压维持在下方电源不变(图7)。

图7所示 直流电源刺激比测定
所采用的电路是相近的,除了总电源电压变化,而共模电平维持不变。在本例之中,电源电压从+2.5 V和-2.5 V转换到+3V和-3V,总电源电压从5V变化到6V。共模电压维持下方电源。计算方法也相近(1000×TP1/1V)。
为了测定ACCMRR和PSRR,需用电压来调控电源电压,如图8和图9所示。DUT再次实习在直流开环,但准确的增益是由交流负反馈(图中的100倍)。

图8所示 沟通共模抑制比测定

图9所示 交流电源刺激比测定
为了测定沟通共模抑制比,被测器件的正电源和负电源用振幅为1V峰值的交流电压展开调制。两个电源均为同相调变,因此具体电源电压为稳压直流电压,但共模电压为2V峰峰值正弦波,造成被测器件输入包含在TP2处测量的交流电压。
如果TP2处的交流电压具备xV峰值(2xV峰-峰)的幅度,则CMRR参照DUT输入(即在将沟通电压缩小100倍以前)。是x/100V,共模刺激比是该值与1V峰值的比值。
交流电源刺激比(AC PSRR)的测量方法是,将交流电压屈服到相位相距180°的正负电源之上,从而调控电源电压的幅度(同样,在本例之中为1V峰值,2V峰-峰),而共模电压维持平稳。直流电压。计算方法与后面参数的计算方法非常相近。
当然,也许还需测定运算放大器的许多其他参数,也有多种其他方法来测定上述参数,但正如本文所示,最基本上的直流和交流参数可采用Simple基本上电路展开可信的测量。
免责声明:
文章内容转自互联网,不代表本站赞同其观点;
如涉及内容、图片、版权等问题,请联系2644303206@qq.com我们将在第一时间删除内容!