芯城品牌采购网 > 品牌资讯 > 元器件百科 > Boost变换器
芯城品牌采购网
20808
Boost变换器称为并联开关变换器。与buck变换器其不同的是,boost型电感在输入端(开关),buck型电感在输出端。boost型变换器的输出电压Vo总是大于输入电压Vi。解释比较简单,当开关管导通时,二极管D关闭,电感L与开关管的节点电压为O。当开关管关闭时,电感L两端的电势翻转,所以电感L与开关管的节点电压大于输入电压Vl,电感电流通过二极管D续流,使得Vo大于Vi。可以证明,Vo=Vi*[T/(T-Ton)],T是开关脉冲周期,Ton是导通时间。
线路由开关S、电感L、电容C组成,如图1所示,完成把电压Vs升压到Vo的功能。

在整个工作范围内,CCM和DCM的最大临界电感LCmax为临界电感曲线LC的顶点位于M点时对应的电感值LCM,由式(1)可得该顶点为(RL,2Vo/3)。曲线a为Boost变换器在整个工作范围内都处于CCM的情形,对应临界电感LCa;对于曲线b,功率较大的工作范围处于CCM,而功率较小的则处于DCM,对应临界电感,LCb;曲线c为Boost变换器在整个工作范围均处于DCM的情形,对应临界电感LCc。
当开关S在位置a时,如图2(a)所示电流iL流过电感线圈L,电流线性增加,电能以磁能形式储在电感线圈L中。此时,电容C放电,R上流过电流Io,R两端为输出电压Vo,极性上正下负。由于开关管导通,二极管阳极接Vs负极,二极管承受反向电压,所以电容不能通过开关管放电。开关S转换到位置b时,构成电路如2(b)所示,由于线圈L中的磁场将改变线圈L两端的电压极性,以保持iL不变。这样线圈L磁能转化成的电压VL与电源Vs串联,以高于Vo电压向电容C、负载R供电。高于Vo时,电容有充电电流;等于Vo时,充电电流为零;当Vo有降压趋势时,电容向负载R放电,维持Vo不变。

图二Boost变换器电路工作过程
由于VL+Vs向负载R供电时,Vo高于Vs,故称它为升压变换器。工作中输入电流is=iL是连续的。但流经二极管D1电流确实脉动的。由于有C的存在,负载R上仍有稳定、连续的负载电流Io。
假设该Boost变换器的输进电压范围为[Vi,min,Vi,max],负载电阻范围为[RL,min,RL,max]。因此,在RL-Vi平面上Boost变换器的工作范围对应一个矩形,作出式(1)描述的临界电感曲线LC,其将RL-Vi平面分为CCM和DCM两部分,如图所示。由图可知,在整个工作范围内,CCM和DCM的最大临界电感LCmax为临界电感曲线LC的顶点位于M点时对应的电感值LCM,由式(1)可得该顶点为(RL,2Vo/3)。曲线a为Boost变换器在整个工作范围内都处于CCM的情形,对应临界电感LCa;对于曲线b,功率较大的工作范围处于CCM,而功率较小的则处于DCM,对应临界电感,LCb;曲线c为Boost变换器在整个工作范围均处于DCM的情形,对应临界电感LCc。

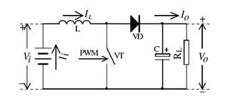
Boost DC-DC变换器又称升压变换器(Step Up Converter),其电路拓扑结构如图2.1所示。BoostDC-DC变换器的基本电路由功率开关管VT、续流二极管VD、储能电感L、输出滤波电容C等组成。因为MOSFET管开关速度较快,控制逻辑相对简单,所以开关管VT一般都采用MOSFET管。

在开关管VT导通期间,电感中的电流上升:在开关管VT截止期间,电感电流下降。如果在开关管VT截止期间,电感中的电流降到零,并在截止期间的剩余时间内电感中存储的能量也为零,则称这种开关电源工作于电感电流不连续工作模式(Discontinuous Conduction Mode, DCM);否则工作于电感电流连续工作模式(ContinuousConduction Mode, CCM)"。下面对Boost DC-DC开关变换器的两种工作模式分别进行分析,以便于进行系统设计。
免责声明:
文章内容转自互联网,不代表本站赞同其观点;
如涉及内容、图片、版权等问题,请联系2644303206@qq.com我们将在第一时间删除内容!